Интернет-магазин не работает 31 декабря, 1, 2 и 7 января. В остальные дни работаем в обычном режиме.

Осевой вентилятор низкого давления ZernAir SUNAXIS 250

Описание

Осевой вентилятор ZernAir SUNAXIS 250 может использоваться как для вытяжной вентиляции, так и для приточной вентиляции. Номинальная производительность модели составляет 950 м3/ч, вентилятор может перемещать воздух с температурой в диапазоне от -30°С до +60°С. Данная модель оборудована однофазным электродвигателем, при необходимости можно регулировать производительность тиристорным регулятором (поставляется отдельно). Вентилятор устанавливается непосредственно в наружную стену, для удобства монтажа оборудован квадратной пластиной.

Технические характеристикиПараметрВеличинаНапряжение, В
220Ток, А0,25Частота тока, Гц50Максимальная мощность, Вт
50Тип электродвигателяЭлектродвигатель с внешним роторомПроизводительность, м3/ч
950Скорость вращения, мин-1
1400Уровень шума на расстоянии 3 м, дБ(А)
53Максимальная температура перемещаемого воздуха, С-30...+60Вес, кг4Защита, класс
IP24Размер патрубка, мм
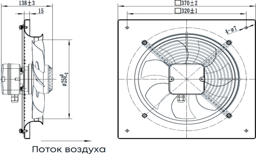
250Страна производства  КНР Материал вентилятораСталь, окрашенная полимерным покрытиемМатериал корпусаСталь, окрашенная полимерным покрытиемГабаритные размеры SUNAXIS 250

Диаграмма производительности

Конструкция

Корпус и крыльчатка изготавливаются из стали и окрашиваются специальной полимерной краской. Корпус вентилятора оснащен квадратной монтажной пластиной для удобства установки вентилятора на стену. Вентилятор оборудован клеммной коробкой для подключения питания.

Двигатель

Используется однофазный электродвигатель со встроенной тепловой защитой с автоматическим перезапуском. В двигателе используются подшипник качения, что обеспечивает большой срок эксплуатации.

Управление

При необходимости можно снижать производительность вентилятора. Возможно два варианта: плавная или ступенчатая регулировка с помощью тиристорного или автотрансформаторного регулятора (регуляторы приобретаются отдельно). К одному регулирующему устройству могут подключаться сразу несколько вентиляторов, при условии что общая мощность и рабочий ток не будут превышать номинальные параметры регулятора.

Возможно использование регулятора скорости РС-1-300 или MTY-1.5 (приобретается отдельно)


Монтаж

Вентилятор устанавливается на поверхность стены при помощи квадратной присоединительной пластины. Подача питания на вентилятор осуществляется через клеммную коробку на корпусе вентилятора. Электрическое подключение и установка должны выполняться согласно инструкции и электрической схеме, указанной на клеммной коробке.

Гарантия

Производитель гарантирует нормальную работу вентилятора в течение двух лет с дня продажи через розничную торговую сеть при условии соблюдения правил транспортирования, хранения, монтажа и эксплуатации.

Диаметр:250
Производитель:ZERNBERG
Таймер:Нет
Цвет:Чёрный
Тип:Накладной, Осевой, Аксиальный
Обратный клапан:Нет
Мощность:50 Вт
Страна производства:Россия
Категория шума:51-60 дБ
Уровень шума:53 дБ
Объём расхода воздуха:751-1000 куб. м/час
Производительность:950 куб м/час, ZernAir
Напряжение:220
Размеры:400х400х180
Вес:4.0

Авторизуйтесь, чтобы оставить отзыв:

Похожие товары в категории Вентиляторы промышленные

Для улучшения работы мы можем собирать данные, используя cookies и сервис Яндекс.Метрика. Это соответствует политике в отношении персональных данных. Продолжая работу на сайте вы даёте согласие на обработку персональных данных. Файлы cookie можно отключить в настройках Вашего браузера.

//}
Заказ в WhatsApp